Плоские керамические подкладки С-27mm

Плоские керамические подкладки С-27mm - st-e.info - Елец
Плоские керамические подкладки на самоклеющейся ленте, длина 0,6 м.
цена по запросу
Купить

Плоские керамические подкладки на самоклеющейся ленте, длина 0,6 м

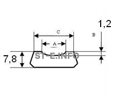
Размеры:

C - 27mm

A - 12mm

Кол-во в одной коробке 36 метров.

Керамические подкладки используются при автоматической и полуавтоматической сварке в среде защитного газа (MIG/MAG, GMAW), при сварке порошковой проволокой (FCAW), при аргонодуговой сварке (TIG), при сварке под флюсом (SAW)   
Подкладка изготавливается из керамического материала, имеющего высокую температуру плавления и представляет собой полосу длиной 0,6 м, состоящую из сегментов, закреплённых на самоклеящейся алюминиевой ленте. Подкладка прикрепляется к свариваемой поверхности и отклеивается после сварки. Для  сварки труб и круговых швов на плоскости выпускаются также подкладки в форме сегментов. 
Применение подкладок позволяет обеспечить качественную сварку V-образных, X-образных, T-образных стыков в труднодоступных местах.
Использование специальных керамических подкладок для сварки – простой и эффективный метод получения высокого качества сварного шва.

Основные преимущества использования керамических подкладок:
• в результате сварки получается качественный шов, выдерживающий проверку рентгеновским контролем;
• активно поддерживается расплавленный металл шва и формируется качественный обратный валик при сварке корневого прохода;
• за счёт гарантированного проплавления места соединения возможна и достаточна односторонняя сварка;
• увеличивается производительность труда в связи с возможностью применения форсированных режимов сварки;
• корневой и заполняющий шов выполняются за один проход (становятся единой технологической операцией);
• возможна сварка в переменный зазор, в том числе превышающий допустимый;
• станоявтся ненужными трудоёмкие дополнительные технологические процессы: шлифование, выборка, подварка;



 

Отзывы
К данному товару еще не оставлено ни одного отзыва
Добавить отзыв
Внимание! Поля, помеченные * - обязательны для заполнения
Рекомендуемые товары
цена по запросу
Купить
цена по запросу
Купить
цена по запросу
Купить
цена по запросу
Купить
цена по запросу
Купить
цена по запросу
Купить
цена по запросу
Купить
цена по запросу
Купить
цена по запросу
Купить
цена по запросу
Купить
цена по запросу
Купить
цена по запросу
Купить
цена по запросу
Купить
цена по запросу
Купить
Каталог
Товаров:
На сумму:

Ваша корзина пуста

оформить заказ

СПЕЦИАЛЬНОЕ ПРЕДЛОЖЕНИЕу нас Вы можете приобрести:
 
Старая цена:355 руб.330 руб.
 
Старая цена:847 руб.785 руб.
 
Старая цена:250 000 руб.235 000 руб.
 
Старая цена:950 руб.920 руб.
 
Старая цена:850 руб.815 руб.
 
Старая цена:790 руб.710 руб.
 
Старая цена:159 руб.145 руб.
 
Старая цена:282 руб.177 руб.
 
Старая цена:475 руб.337 руб.
 
Старая цена:280 руб.170 руб.
 
Старая цена:475 руб.275 руб.

<

ул. Костенко, 67 (Терминал ТК Деловые линии)

7 (800) 444-82-15

e-mail: info@st-e.info

Консультация и предварительный расчет
Данный сайт использует файлы cookie и прочие похожие технологии. В том числе, мы обрабатываем Ваш IP-адрес для определения региона местоположения. Используя данный сайт, вы подтверждаете свое согласие с политикой конфиденциальности сайта.
OK